-
Учасник державної програми
При сумі замовлення більше
1000 грн. — Знижки!!! Доставимо в будь-який
куточок України 14 ДНІВ НА ОБМІН- без зайвих запитань
- прочитайте умови повернення
- гарантії від виробника
-
Готовий до відправки40206УкраїнаУточнюйте ціну
- Код постачальника: МСК-301-86
- Бренд: Novatek
- Тип пристрою: Реле температурне, Контролер терморегуляторів
- Місце встановлення / підключення: DIN-рейка
- Мінімальна температура, °C: -10
- Максимальна температура, °C: +55
Інші товари тієї ж серії:
-
Опис
Короткі характеристики контролеру МСК-301-86:
Напруга, при якому зберігається працездатність від 160 до 330 В, 50 Гц
Дозвіл по температурі, ° С 0,1
Перетин проводів для підключення до клем, мм2 0,5 - 2,5
Маса, не більше, кг 0,3
Габаритні розміри, HхBхL, мм 86х70х59
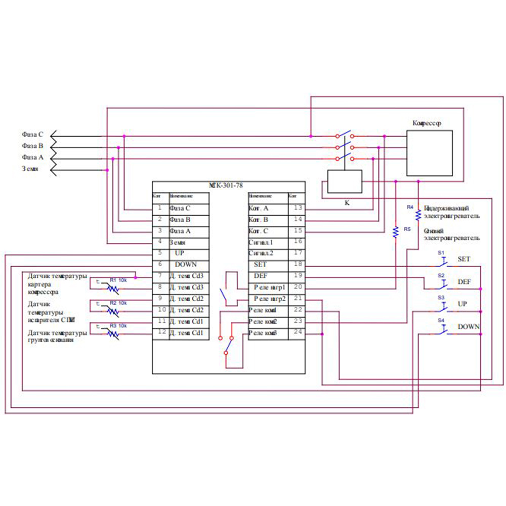
Виріб зберігає свою працездатність при будь-якому положенні в просторі.Блок управління середньо- й низькотемпературні холодильними машинами з автоматичною оттайкой МСК-301-86 призначений для управління морозильними камерами, холодильними прилавками, моноблоками та іншим холодильним торговельним й промисловим обладнанням.
Пристрій автоматично підтримує температуру морозильної камери й випарника, а також, залежно від встановленого режиму роботи, температуру другого випарника або температуру в повітряному потоці вентилятора.
Функції
При необхідності МСК-301-86 дозволяє фіксувати й відпрацьовує такі аварійні ситуації:- Коротке замикання або обриву датчиків;
- Відкриття дверей камери на час, що перевищує максимально допустимий;
- Недопустиме відхилення параметрів напруги живлення;
- Залипання вихідних контактів пускача;
- Вихід температури компресора за допустимі межі.
Габаритне креслення:

Специфікації
Характеристики
- Пропозиція: Standart, Professional, Industry
- Тип пристрою: Реле температурне, Контролер терморегуляторів
- Основні функції реле: Термостат
- Функціональність: Вимірювання температури
- Місце встановлення / підключення: DIN-рейка
- Типорозмір: Модульний на din-рейку
- Пряме підключення: Так
- Застосування: Для обігрівача, Для котла, Для кондиціонера, Для вентиляції, Для холодильного обладнання, Для водяних радіаторів, Універсальний
- Опціонально: Програмований
- Мінімальна температура, °C: -10
- Максимальна температура, °C: +55
- Тип: Електронний
- Датчик температури: Виносний
- Особливість: Трьохзонний, Підключення додатк.термодатчика, Широкий діапазон t°, Релейні виходи
- Гарантія: 5 років
- Сертифікати: Сертифікація CE — європейська відповідність.
Колір товару може відрізнятися від представленого на зображенні. Опис товару носить загальний характер, у ньому необов'язково згадуються всі характеристики. Ціни на товари в інтернет-магазині можуть відрізнятись від цін у наших шоу-румах. Залишок товару на складі та в інтернет-магазині може відрізнятись, тому в таких випадках умови доставки можуть відрізнятись від зазначених при оформленні замовлення.
Якщо ми з якихось причин не зможемо виконати замовлення або лише частково виконати його, про це Покупець інформується негайно.
- Потрібна допомога
в підборі товарів? - 097 944-04-77044 228-33-17050 337-07-10093 332-67-53

