-
Учасник державної програми
При сумі замовлення більше
1000 грн. — Знижки!!! Доставимо в будь-який
куточок України 14 ДНІВ НА ОБМІН- без зайвих запитань
- прочитайте умови повернення
- гарантії від виробника
-
Уточнюйте наявність і терміни40205Останнє оновлення залишків: 28.11.25 13:24Передзамовлення — Недоступно. Дивіться актуальні серії.УкраїнаУточнюйте ціну
- Код постачальника: NTMK30161
- Бренд: Novatek
- Тип пристрою: Реле температурне, Контролер терморегуляторів
- Місце встановлення / підключення: DIN-рейка
- Мінімальна температура, °C: -10
- Максимальна температура, °C: +55
Інші товари тієї ж серії:
-
Опис
Короткі характеристики контролеру МСК-301-61:
Застосування: дозрівання бананів
Контроль зон температури: 2
Пожежна сигналізація: Так
Датчик аварії кондиціонера: Так
Сигналізація: Так
Управління кондиціонерами: Так 2 шт
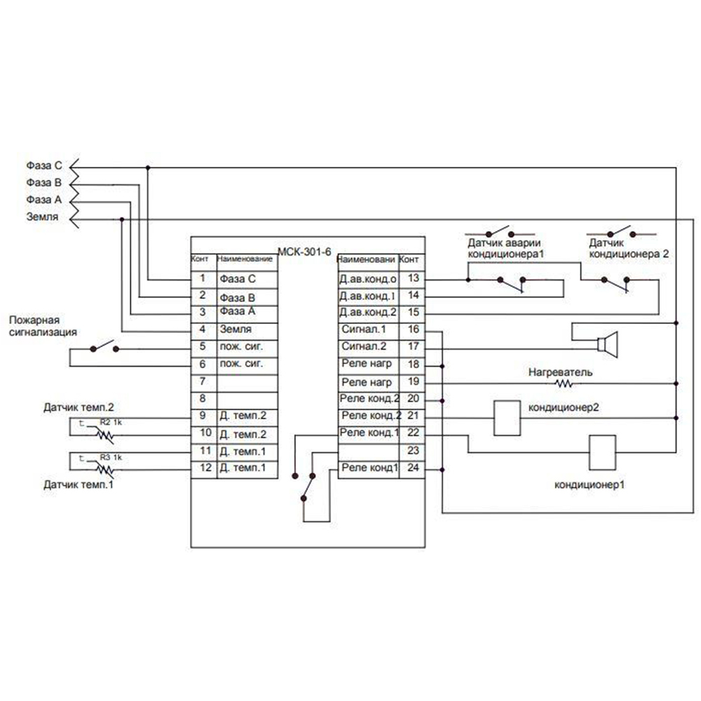
Основний / резервний режим: ТакКонтролер керування температурними приладами MCK 301-61 призначений для управління клімат приладами в приміщенні.
Функції
Контролер керування температурними приладами MCK 301-61 призначений для управління клімат приладами в приміщенні та виконують такі функції:- контролює температуру за допомогою двох незалежних термодатчиков;
- відображає середню температуру в приміщенні;
- контролює справність й керує роботою двох незалежних кондиціонерів;
- відключає всі клімат прибори при надходженні сигналу про пожежу;
- Контролює й повідомляє про несправність термодатчиков.
Пристрій підтримує такі режими роботи:
- режим термостата з підключеним нагрівачем;
- режим термостата з контролем зони кондиціонування;
- режим сигналізації;
- тестовий режим.
На лицьову панель пристрою виведені світлодіоди, які відображають:
- «COMP» – включення / відключення кондиціонера №1;
- «FAN» – включення / відключення кондиціонера №2;
- «DEF» – включення / відключення електронагрівача;
- «SET» – режим установки параметрів.
Трьохрозрядний семисегментний індикатор й чотири кнопки управління виведені на лицьову панель дозволяють встановлювати й контролювати наступні параметри:
- середню температуру повітря в межах 0 – 35 ° С;
- режим роботи термостата;
- режим роботи резервного кондиціонера;
- програмовану затримку часу відключення резервного кондиціонера 0 – 60 Мін;
- нижній температурний кордон;
- дві верхні температурні кордони;
- значення корекції похибки термодатчиков;
- значення верхньої та нижньої аварійної температури;
- верхній й нижній поріг зони кондиціонування;
- мінімальний час включення й відключення клімат приладів;
- дозвіл аналізу датчика пожежі;
- пароль доступу для користувача й для наладчика.
Габаритне креслення:

Специфікації
Характеристики
- Пропозиція: Standart, Professional, Industry
- Тип пристрою: Реле температурне, Контролер терморегуляторів
- Основні функції реле: Термостат
- Функціональність: Вимірювання температури
- Місце встановлення / підключення: DIN-рейка
- Типорозмір: Модульний на din-рейку
- Пряме підключення: Так
- Застосування: Для обігрівача, Для котла, Для кондиціонера, Для вентиляції, Для холодильного обладнання, Для водяних радіаторів, Універсальний
- Опціонально: Програмований
- Мінімальна температура, °C: -10
- Максимальна температура, °C: +55
- Тип: Електронний
- Датчик температури: Виносний
- Особливість: Трьохзонний, Підключення додатк.термодатчика, Широкий діапазон t°, Релейні виходи
- Гарантія: 5 років
- Сертифікати: Сертифікація CE — європейська відповідність.
Колір товару може відрізнятися від представленого на зображенні. Опис товару носить загальний характер, у ньому необов'язково згадуються всі характеристики. Ціни на товари в інтернет-магазині можуть відрізнятись від цін у наших шоу-румах. Залишок товару на складі та в інтернет-магазині може відрізнятись, тому в таких випадках умови доставки можуть відрізнятись від зазначених при оформленні замовлення.
Якщо ми з якихось причин не зможемо виконати замовлення або лише частково виконати його, про це Покупець інформується негайно.
- Потрібна допомога
в підборі товарів? - 097 944-04-77044 228-33-17050 337-07-10093 332-67-53

