-
-5%
-
Учасник державної програми
При сумі замовлення більше
1000 грн. — Знижки!!! Доставимо в будь-який
куточок України 14 ДНІВ НА ОБМІН- без зайвих запитань
- прочитайте умови повернення
- гарантії від виробника
-
В наявності 2-3 дні131907Останнє оновлення залишків: 10.01.26 15:2399 шт— Відправимо за 2-3 дніПередзамовлення — термін постачання 4-6 тижнівПольща
- Код постачальника: BIS-412
- Бренд: F&F
- Тип пристрою: Імпульсне реле
- Особливість: Імпульсний
- Місце встановлення / підключення: DIN-рейка
- Номінальний струм комутації: 16 А
- Струм котушки керування: AC (змінний струм)
- Напруга котушки керування (AC): 230 V
- Резервне живлення: Ні
- Положення контактів: 1 ПК
-
Напруга живлення 230 В АС, групове (готельне), 16 А, без пам'яті стану контактів
Призначення: реле імпульсне групове (готельне) BIS-412 призначене для роботи в групі.
Дія: одне реле BIS-412 дозволяє вмикати і вимикати навантаження при послідовному імпульсі, що може бути спричинений натисканням на однопозиційний вимикач. Групова схема дозволяє одним натиском вімкнути і вимкнути навантаження як в окремо взятій групі, так і всіх споживачів. На піктограмах та схемах: ЗВ - задіяти всі, ВВ - вимкнути всі, ЗО - задіяти окреме імпульсне реле.
Зауваження: BIS-412 може працювати з однопозиційними вимикачами з неоновою підсвіткою.
BIS-412 виконується в наступних версіях:
- BIS-412-230 V - базова модель з одним реле 16 A;
- BIS-412-LED-230 V – з захистом контактів від великих пусових струмів. Таими як: лампи LED, лампи ESL, трансформатори електронні, розрядні лампи і т.д..;
- BIS-412M-230 V – з пам’яттю стану контактів. Після пропадання напруги живлення реле, та повторній появі напруги живлення, контакти реле повернуться до положення в якому вони були до пропадання напруги живлення;
- BIS-412M-LED-230 V - з захистом контактів від великих пусових струмів та з пам’яттю стану контактів;
- Напруга живлення: 165÷265 В AC
- Максимальний струм навантаження AC-1: 16 A
- Захист від пускових струмів: НІ
- Затримка спрацювання включення: 0,1 – 0,2 с
- Споживана потужність: 0,8 Вт
- Підключення: Затискачі гвинтові 2,5 мм^2
- Затримка виключення: НІ
- Робота з вимикачами з підсвіткою: ТАК
- Центральне керування: ТАК
- Пам'ять стану контактів: НІ
- Струм керуючого імпульсу: 1 мА
- Кількість каналів: 1
- Радіокерування: НІ
- Розмір: 1 модуль типу S (17,5 мм)
- Монтаж: На DIN-рейку 35 мм
- Діапазон робочих температур: Від -25°С до +50°С
- Ступінь захисту: IP20
- Гарантія: 24 місяці
- Виробник: F&F
- Країна виробник: Польща
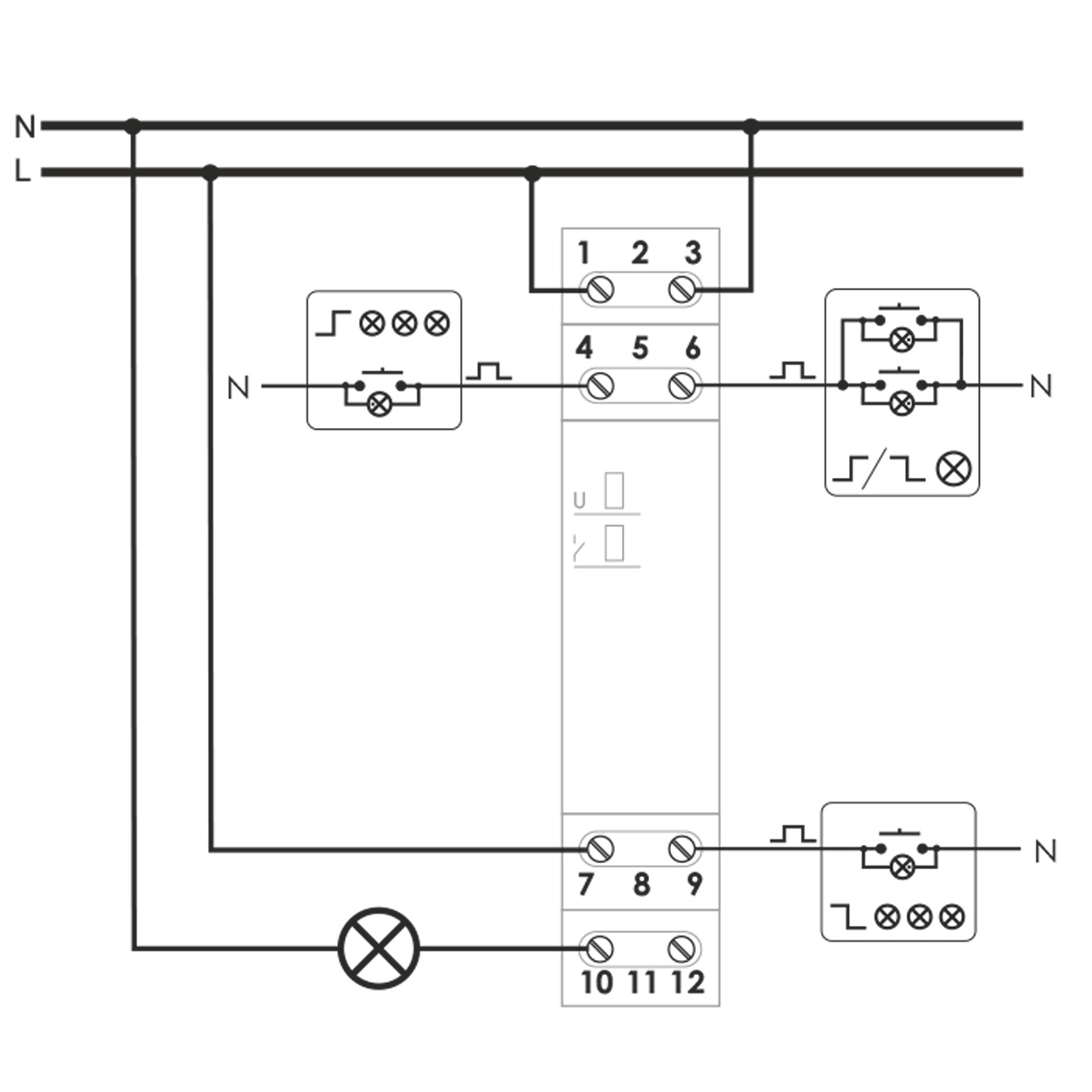
Опис виходів
- 1-3 Живлення 230V` (L-N)
- 6 Керування локальне - (ввімкнути / вимкнути).
- 4 Загальне керування - ввімкнути всі.
- 9 Загальне керування - вимкнути всі.
- 7-10-12 Контакт на перемикання.
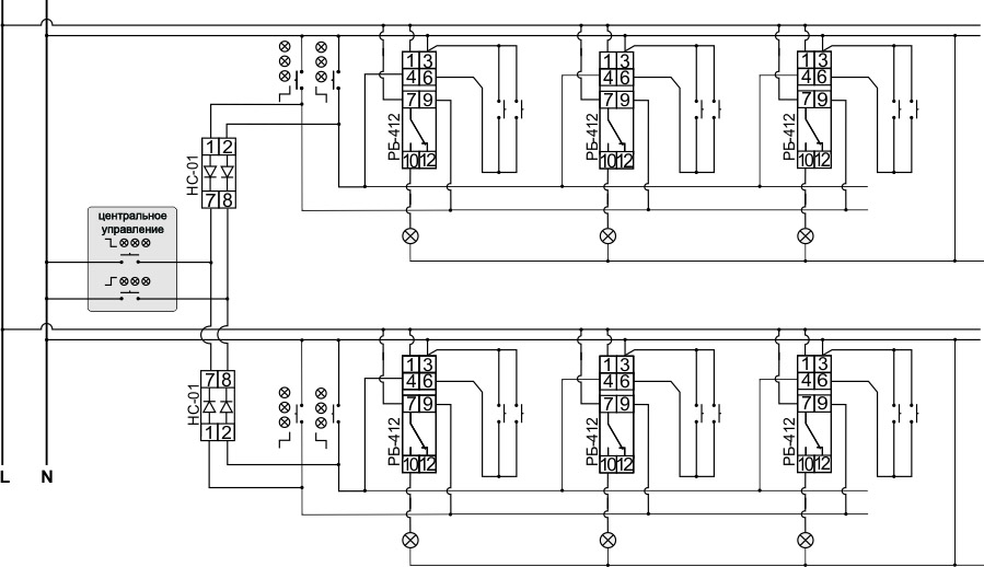
Схема підключення

Схема групового підключення

Схема групового підключення із сепаратором
Приклад об'єднання BIS-412 в групу з використанням напівпровідникового сепаратора.

Специфікації
Характеристики
- Пропозиція: Standart, Professional
- Тип пристрою: Імпульсне реле
- Основні функції реле: Релейна (перемикання), Управління контактом у бістабільному режимі
- Функціональність: Групове реле
- Особливість: Імпульсний
- Місце встановлення / підключення: DIN-рейка
- Номінальний струм комутації: 16 А
- Принцип комутації: Електромеханічне
- Типорозмір: Модульний на din-рейку
- Струм котушки керування: AC (змінний струм)
- Напруга котушки керування (AC): 230 V
- Резервне живлення: ? Ні
- Положення контактів: 1 ПК
- Гарантія: 1 рік, 2 роки
- Сертифікати: Сертифікація CE — європейська відповідність.
- BIS-412-230 V - базова модель з одним реле 16 A;
Колір товару може відрізнятися від представленого на зображенні. Опис товару носить загальний характер, у ньому необов'язково згадуються всі характеристики. Ціни на товари в інтернет-магазині можуть відрізнятись від цін у наших шоу-румах. Залишок товару на складі та в інтернет-магазині може відрізнятись, тому в таких випадках умови доставки можуть відрізнятись від зазначених при оформленні замовлення.
Якщо ми з якихось причин не зможемо виконати замовлення або лише частково виконати його, про це Покупець інформується негайно.
- Потрібна допомога
в підборі товарів? - 097 944-04-77044 228-33-17050 337-07-10093 332-67-53



