-
Знижка до 25%
-
Учасник державної програми
При сумі замовлення більше
1000 грн. — Знижки!!! Доставимо в будь-який
куточок України 14 ДНІВ НА ОБМІН- без зайвих запитань
- прочитайте умови повернення
- гарантії від виробника
-
В наявності 3-5 днів158008Останнє оновлення залишків: 16.01.26 18:2510 шт— Відправимо за 3-5 днівПередзамовлення — термін постачання 4-6 тижнів
- Код постачальника: 8625-200
- Бренд: E.NEXT
- Тип пристрою: Кулачковий перемикач
- Тип — схема роботи: 0-l-ll
- Особливість: Під пломбування
- Номінальна комутаційна
здатність, А: 40 - Місце встановлення / підключення: На дверцятах щита
-
Опис продукту
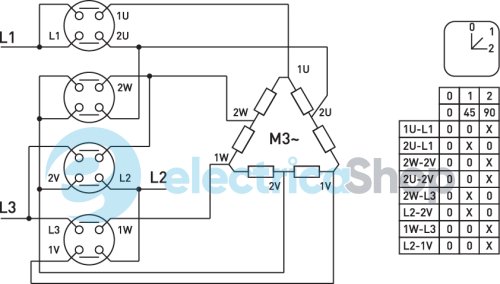
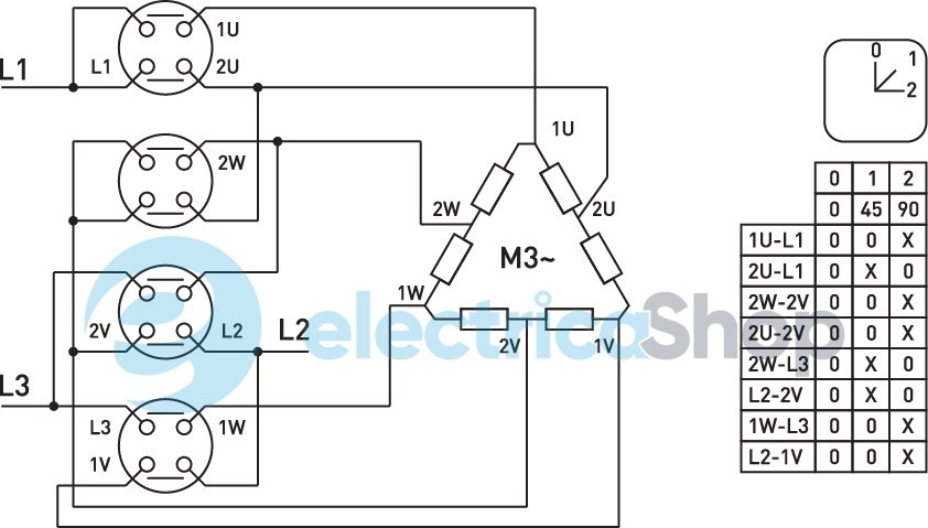
Пакетний перемикач LK40/4.322-ZК/45 щитовий, з передньою панеллю (під пломбування), 0-1-2, 40А призначені для неавтоматичного включення та відключення ділянок електричних кіл. Застосовуються в розподільчих шафах, шафах керування та ін. Рід приводу: центральна рукоятка. IP44 по фронту, IP20 із боку контактів.
Технічні дані
- Діапазон робочої температури, °С: -25…+70
- Діапазон налаштування температури, °C: -25…+70
- Імпульсна напруга Uimp, що витримується, кВ: 6
- Категорія застосування: AC-22A, AC-23A
- Кількість полюсів: 4
- Макс. перетин провідників, що приєднуються, мм.кв: 10
- Максимальна робоча напруга Uc,: AC 230/400/500
- Маса, кг (не більше): 0.45
- Монтаж: врізний
- Напруга ізоляції Ui, В: 690
- Номінальна частота, Гц: 50
- Номінальна робоча напруга Ue, В: AC 230/400/500
- Номінальний струм In, А: 40
- Положення перемикача: 36527
- Робоче положення: Довільне
- Ступінь забруднення середовища: 3
- Ступінь захисту, IP: IP44
- Характеристики: щитовий, із передньою панеллю, з можливістю пломбування
- Гарантія, міс: 12
- Артикул: 8625-200
Характеристики
- Пропозиція: Standart, Professional, Industry
- Тип пристрою: Кулачковий перемикач
- Тип перемикання: Ручний
- Тип — схема роботи: 0-l-ll
- Особливість: Під пломбування
- Номінальна комутаційна
здатність, А: 40 - Місце встановлення / підключення: На дверцятах щита
Колір товару може відрізнятися від представленого на зображенні. Опис товару носить загальний характер, у ньому необов'язково згадуються всі характеристики. Ціни на товари в інтернет-магазині можуть відрізнятись від цін у наших шоу-румах. Залишок товару на складі та в інтернет-магазині може відрізнятись, тому в таких випадках умови доставки можуть відрізнятись від зазначених при оформленні замовлення.
Якщо ми з якихось причин не зможемо виконати замовлення або лише частково виконати його, про це Покупець інформується негайно.
- Потрібна допомога
в підборі товарів? - 097 944-04-77044 228-33-17050 337-07-10093 332-67-53






