-
Скидка до 25%
-
Учасник державної програми
При сумме заказа свыше
1000 грн. — СКИДКИ!!! Доставим в любой
уголок Украины 14 ДНЕЙ НА ОБМЕН- без лишних вопросов
- почитайте условия возврата
- гарантии от производителя
-
В наличии 2-3 дня130463Последнее обновление наличия: 21.04.26 15:19Словенія
- Код поставщика: 4661653
- Производитель: ETI
- Тип устройства: Переключатели l-0-ll
- Особенность: 3 положения, Реверсивный
- Тип — схема работы: l-0-ll
- Особенность: Съемная рукоядка, Моторизованный привод, Возможность ручного переключения, Автоматическое переключение, 3 положения, Реверсивный
- Количество полюсов: 4
- Номинальная коммутационная
способность, А: 63 - Место установки / подключения: Монтажная панель, Монтажная плата

-
Переключатель MLBS CO 63 230VAC 3P (код для заказа: 4661653) применяются в распределительных устройствах и электрических шкафах для переключения цепей низкого напряжения с номинальным рабочим током – до 63А.
Переключатель нагрузки MLBS CO 63 230VAC 4P может быть использован как переключатель для автоматического или ручного ввода резерва.
Питание цепей управления переключателя осуществляется только от одного источника.
Рукоятка прямого управления.Основные параметры:
- Тип: переключатель с моторизованным приводом.
- Схема работы переключателя: 1-0-2
- Подключение: 4P
- Номинальный ток In A: 63
- Номинальный ток предохранителя A: 63
- Источник питания 230 V AC min/max V: 160/310
Артикул: 4661653
Особенности:
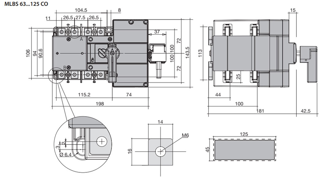
- Компактные габаритные размеры (min. глубина щита 200 мм).
- Оконце состояния силовой контактной группы.
- Встроенные дополнительные сигнальные контакты.
- Возможность блокировки навесным замком (положение "0").
- Силовые клеммы разделены межполюсными перегородками.
- Упругая силовая контактная группа обеспечивает надежность контактного соединения.
- Высокий механический и электрический ресурс.
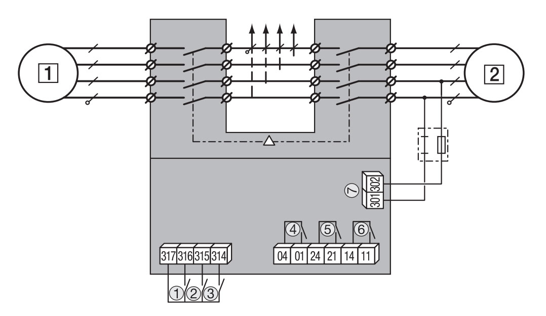
Подключение MLBS 63 4P
- 1 - основной источник
- 2 - резервный источник
- Клеммы управления (положение «0»)
- Клеммы управления (положение «I»)
- Клеммы управления (положения «II»)
- Дополнительный контакт закрыт, если выключатель в положении «0»
- Дополнительный контакт закрыт, если выключатель в положении «II»
- Дополнительный контакт закрыт, если выключатель в положении «I»
- Клеммы питания: 230 V АС (160 - 310 V АС)
Габаритные размеры

Спецификации
Характеристики
- Предложение: Standart, Professional, Industry
- Тип устройства: Переключатели l-0-ll
- Основные функции реле: Переключение питания / нагрузки
- Особенность: 3 положения, Реверсивный
- Тип переключения: Ручной, Автоматический
- Сеть: 3 фазы + N
- Тип — схема работы: l-0-ll
- Особенность: Съемная рукоядка, Моторизованный привод, Возможность ручного переключения, Автоматическое переключение, 3 положения, Реверсивный
- Количество полюсов: 4
- Номинальная коммутационная
способность, А: 63 - Место установки / подключения: Монтажная панель, Монтажная плата
- Гарантия: 1 год
- Сертификаты: Сертификация CE — европейское соответствие.
Цвет товара может отличаться от представленного на картинке. Описание товара носит общий характер, в нем не обязательно упоминаются все характеристики. Цены на товары в интернет-магазине могут отличаться от цен в наших шоу-румах. Остаток товара на складе и в интернет-магазине может отличаться, поэтому в таких случаях условия доставки могут отличаться от указанных при оформлении заказа.
В случаях если мы по каким-либо причинам не сможем выполнить заказ или только частично выполнить его, об этом Покупатель информируется немедленно.
Сопутствующие товары
- Тип устройства: Защитная крышка
- Количество полюсов: 4
- Место установки / подключения: На рубильник
- Тип устройства: Защитная крышка
- Количество полюсов: 4
- Место установки / подключения: На рубильник
- ETI
-
В наличии 2-3 дня
Комплект соединительных шин MLBS-BR125 4P CO для MLBS 63-125A 4P ETI 4661700
130475- Тип устройства: Шина соединительная
- Место установки / подключения: На рубильник
- Тип устройства: Контроллер, Контроллер резервного питания
- Особенность: Интерфейс RS-485
- Тип — схема работы: l-0-ll
- Особенность: Функция управления
- Количество полюсов: 4
- Номинальная коммутационная
способность, А: 63 - Тип входящей сети: 3 фазы + N (400V)
- Выход: 3 фазы
- Место установки / подключения: DIN-рейка, На дверцу щита
- Подключение: Клеммное
- Сеть: 3-х фазная
- Нижняя граница отключения (Umin), V: 318
- Верхняя граница отключения (Umах), V: 520
- Номинальный ток коммутации, А: 63
- Особенности: С блоком контактов сигнализации
- Тип устройства: АВР, Контроллер, Контроллер резервного питания
- Тип — схема работы: l-0-ll
- Особенность: Функция управления, Автоматическое переключение
- Тип входящей сети: 1 фаза + N (230V), 3 фазы + N (400V)
- Выход: 1 фаза
- Место установки / подключения: DIN-рейка, На дверцу щита
- Подключение: Клеммное
- Нижняя граница отключения (Umin), V: % от номинального напряжения
- Верхняя граница отключения (Umах), V: % от номинального напряжения
- Номинальный ток коммутации, А: 5
- Особенности: С блоком контактов сигнализации
- Нужна помощь
в подборе товаров? - 097 944-04-77044 228-33-17050 337-07-10093 332-67-53

