-
Учасник державної програми
При сумме заказа свыше
1000 грн. — СКИДКИ!!! Доставим в любой
уголок Украины 14 ДНЕЙ НА ОБМЕН- без лишних вопросов
- почитайте условия возврата
- гарантии от производителя
-
Предзаказ40307Последнее обновление наличия: 27.02.26 13:09Предзаказ — срок поставки 2-3 дня
-
Описание
Внутренний видеодомофон работает на операционной системе Android 6.0. Он поставляется в 3 цветовых вариациях: белый, золотой, черный и имеет два варианты установки: настенное и скрытое крепление с помощью специального кронштейна.
Технические характеристики
Дисплей: 10” IPS LCD, сенсорный емкостный.
Разрешение экрана: 1280 x 800.
Встроенная камера: Есть.
Питание: PoE и + 12 Вольт.
Потребление питания: 6 Вт, в режиме ожидания — 2.5 Вт.
Размеры: 316 x 185 x 29.5 мм.
Размеры дисплея: 266 x 164 мм.
Цвет: Белый.
Корпус: Алюминий, пластик.
Тип установки: Настенная накладная, врезная с помощью кронштейна.Артикул: EAN-5060514910412
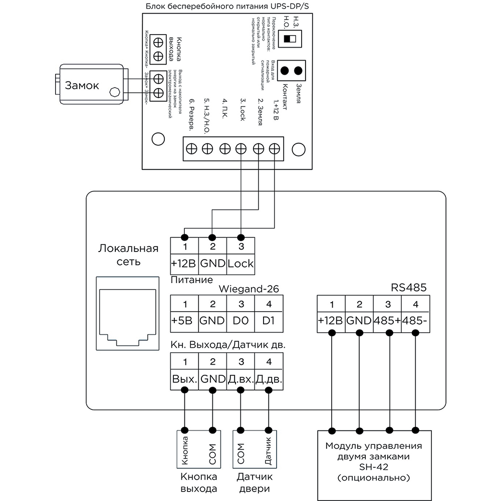
Монтажная схема



Преимущества изделия:
- Количество индивидуальных вызывных панелей: До 9 панелей.
- Количество многоабонентских вызывных панелей: До 9 панелей.
- Подключение дополнительных мониторов: До 8 мониторов.
- Дополнительные разъемы: Слот для SD карт (SDHC).
- Функция памяти: Запись фото, видео и аудио на SD карту.
- Интерфейс: Многоязычный графический и WEB-интерфейс.
- Количество IP камер: До 32 камер.
Спецификации
- Вложение из каталога для домофона AT-10 Bas IPЗагрузить(файл pdf, 347.26 Kb)Вложение из каталога с объяснением для домофона AT-10 Bas IP
- Каталог с описанием продукции от Bas IPЗагрузить(файл pdf, 34.94 Mb)Каталог с описанием продукции видеодомофонов Bas IP
Характеристики
- Предложение: Premium
Цвет товара может отличаться от представленного на картинке. Описание товара носит общий характер, в нем не обязательно упоминаются все характеристики. Цены на товары в интернет-магазине могут отличаться от цен в наших шоу-румах. Остаток товара на складе и в интернет-магазине может отличаться, поэтому в таких случаях условия доставки могут отличаться от указанных при оформлении заказа.
В случаях если мы по каким-либо причинам не сможем выполнить заказ или только частично выполнить его, об этом Покупатель информируется немедленно.
- Нужна помощь
в подборе товаров? - 097 944-04-77044 228-33-17050 337-07-10093 332-67-53

