-
Учасник державної програми
При сумме заказа свыше
1000 грн. — СКИДКИ!!! Доставим в любой
уголок Украины 14 ДНЕЙ НА ОБМЕН- без лишних вопросов
- почитайте условия возврата
- гарантии от производителя
-
Предзаказ40202Последнее обновление наличия: 28.11.25 13:24Предзаказ — Уточняйте наличие и срокиУкраїна
- Код поставщика: NTMK10214
- Производитель: Novatek
- Тип устройства: Контроллер терморегуляторов
- Место установки / подключения: На дверцу щита
- Особенности: RS485, Modbus RTU
-
Описание
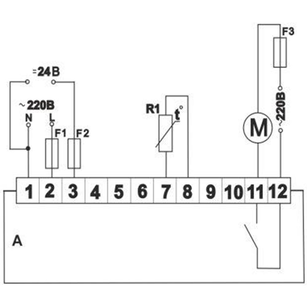
Краткие характеристики контроллера МСК-102-14:
Контроль температуры в камере: Да
Контроль температуры выпарника: Нет
Управление компрессором: Да
Управление оттайкой: Нет
Встроенное реле напряжения: Да
Управление температурой, Макс. знач 50
Управление температурой, Мин. знач -45МСК-102-14 позволяет контролировать температуру морозильной камеры и проводить автоматическое размораживание отключением компрессора на заданное пользователем время.
Устройство обеспечивает защитное отключение компрессора при недопустимых параметрах электрической сети (контролируется действующее значение напряжения) и последующее автоматическое включение после восстановления параметров напряжения через время, заданное пользователем.
МСК-102-14 поставляется с заводскими установками, указанными в технической документации. Завод-изготовитель по согласованию с потребителем, может поставить программатор заводских установок.
В версии программы 14 добавлена ??цифровая фильтрация сигнала с датчика температуры и изменен алгоритм включения компрессора после подачи питания.
Дополнительная информация:

Спецификации
Характеристики
- Предложение: Standart, Professional, Industry
- Тип устройства: Контроллер терморегуляторов
- Функциональность: Измерение температуры
- Место установки / подключения: На дверцу щита
- Сеть: 1-фазная
- Прямое подключение: Да
- Гарантия: 5 лет
- Сертификаты: Сертификация CE — европейское соответствие.
Цвет товара может отличаться от представленного на картинке. Описание товара носит общий характер, в нем не обязательно упоминаются все характеристики. Цены на товары в интернет-магазине могут отличаться от цен в наших шоу-румах. Остаток товара на складе и в интернет-магазине может отличаться, поэтому в таких случаях условия доставки могут отличаться от указанных при оформлении заказа.
В случаях если мы по каким-либо причинам не сможем выполнить заказ или только частично выполнить его, об этом Покупатель информируется немедленно.
- Нужна помощь
в подборе товаров? - 097 944-04-77044 228-33-17050 337-07-10093 332-67-53

