-
Учасник державної програми
При сумме заказа свыше
1000 грн. — СКИДКИ!!! Доставим в любой
уголок Украины 14 ДНЕЙ НА ОБМЕН- без лишних вопросов
- почитайте условия возврата
- гарантии от производителя
-
В наличии 3-5 дней40200Последнее обновление наличия: 28.11.25 13:2444 шт— Отправим через 3-5 днейПредзаказ — Уточняйте наличие и срокиУкраїна
- Код поставщика: NTMCK1080
- Производитель: Novatek
- Тип устройства: Реле контроля уровня жидкости, Контроллер
- Место установки / подключения: DIN-рейка
- Номинальный ток коммутации: 10 А
- Ток катушки управления: AC (переменный ток)
- Напряжение катушки управления (AC): 130 V, 220 V, 230 V, 240 V, 250 V, 260 V, 264 V
- Резервное питание: Нет
- Положение контактов: 1 ПК
- Доп. контакты: 1 Н.О
- Номинальный ток коммутации, А: 10
-
Описание
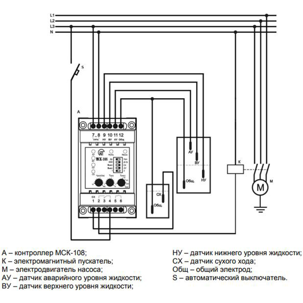
Краткие характеристики контроллера МСК-108:
Номинальный режим работы: Длительный
Робота с двумя насосами: Да
Режим работы: Наполнение / дренаж
Защита для сухого кода: Да
Тип датчика: Кондуктометрический / давления
Датчики: не входят в комплект
Габаритные размеры: три модуля S
Масса, не более, кг 0,2Контроллер насосной станции МСК-108 предназначен для создания систем автоматизации технологических процессов, связанных с контролем и поддержанием заданного уровня жидких веществ в различного рода резервуарах путем Управление электродвигателем (электродвигателями) одного или двух насосов.
МСК-108 обеспечивает работу с различными по электропроводности жидкостями - водопроводной или загрязненной водой, молоком и пищевыми продуктами (слабокислотные, щелочными и др.)
Поддержание заданного уровня жидких веществ обеспечивается управление:
- При однофазном двигателе мощностью до 1 кВт - встроенным реле насоса;
- При трехфазном двигателе или при однофазном двигателе мощностью свыше 1 кВт - Управление катушкой магнитного пускателя (контактора).
МСК-108 обеспечивает управление электродвигателем (электродвигателями) одного или двух насосов в автоматическом режиме по одному из встроенных в устройство алгоритмов.
Дополнительная информация:

Спецификации
Характеристики
- Предложение: Standart, Professional, Industry
- Тип устройства: Реле контроля уровня жидкости, Контроллер
- Функциональность: Контроллер насосной станции
- Место установки / подключения: DIN-рейка
- Номинальный ток коммутации: 10 А
- Типоразмер: Модульный на din-рейку
- Ток катушки управления: AC (переменный ток)
- Напряжение катушки управления (AC): 130 V, 220 V, 230 V, 240 V, 250 V, 260 V, 264 V
- Резервное питание: ? Нет
- Положение контактов: 1 ПК
- Доп. контакты: 1 Н.О
- Прямое подключение: Да
- Номинальный ток коммутации, А: ? 10
- Гарантия: 5 лет
- Сертификаты: Сертификация CE — европейское соответствие.
Цвет товара может отличаться от представленного на картинке. Описание товара носит общий характер, в нем не обязательно упоминаются все характеристики. Цены на товары в интернет-магазине могут отличаться от цен в наших шоу-румах. Остаток товара на складе и в интернет-магазине может отличаться, поэтому в таких случаях условия доставки могут отличаться от указанных при оформлении заказа.
В случаях если мы по каким-либо причинам не сможем выполнить заказ или только частично выполнить его, об этом Покупатель информируется немедленно.
- Нужна помощь
в подборе товаров? - 097 944-04-77044 228-33-17050 337-07-10093 332-67-53

