-
Скидка до 25%
-
Учасник державної програми
При сумме заказа свыше
1000 грн. — СКИДКИ!!! Доставим в любой
уголок Украины 14 ДНЕЙ НА ОБМЕН- без лишних вопросов
- почитайте условия возврата
- гарантии от производителя
-
Предзаказ157962Последнее обновление наличия: 20.04.26 15:12Предзаказ — срок поставки 4-6 недель
- Код поставщика: 8624-200
- Производитель: E.NEXT
- Тип устройства: Кулачковый переключатель
- Особенность: В корпусе
- Тип — схема работы: 0-l-ll
- Особенность: В корпусе
- Номинальная коммутационная
способность, А: 40 - Место установки / подключения: На стену
-
Описание продукта
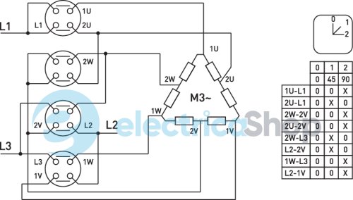
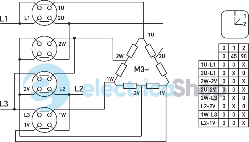
Пакетный переключатель LK40/4.322-ОВ/45 в корпусе, 0-1-2, 40А, IP44 смонтированы в корпусах, обеспечивающих степень защиты IP44. Предназначены для неавтоматического включения и отключения участков электрических цепей. Применяются в распределительных шкафах, шкафах управления и т.п. Род привода: центральная рукоятка.
Технические данные
- Диапазон рабочей температуры, °С: -25…+70
- Диапазон настройки температуры, °C: -25…+70
- Импульсное выдерживаемое напряжение Uimp кВ: 6
- Категория применения: AC-22A, AC-23A
- Количество полюсов: 4
- Макс. сечение присоединяемых проводников мм.кв: 10
- Максимальное рабочее напряжение Uc,: AC 230/400/500
- Масса, кг (не более): 0,85
- Монтаж: навесной
- Напряжение изоляции Ui, В: 690
- Номинальная частота, Гц: 50
- Номинальное рабочее напряжение Ue, В: AC 230/400/500
- Номинальный ток In, А: 40
- Положение переключателя: 36527
- Рабочее положение: Произвольное
- Степень загрязнения среды: 3
- Степень защиты, IP: IP44
- Характеристики: в корпусе
- Гарантия, мес: 12
- Артикул: 8624-200
Характеристики
- Предложение: Standart, Professional, Industry
- Тип устройства: Кулачковый переключатель
- Особенность: В корпусе
- Тип переключения: Ручной
- Тип — схема работы: 0-l-ll
- Особенность: В корпусе
- Номинальная коммутационная
способность, А: 40 - Место установки / подключения: На стену
Цвет товара может отличаться от представленного на картинке. Описание товара носит общий характер, в нем не обязательно упоминаются все характеристики. Цены на товары в интернет-магазине могут отличаться от цен в наших шоу-румах. Остаток товара на складе и в интернет-магазине может отличаться, поэтому в таких случаях условия доставки могут отличаться от указанных при оформлении заказа.
В случаях если мы по каким-либо причинам не сможем выполнить заказ или только частично выполнить его, об этом Покупатель информируется немедленно.
- Нужна помощь
в подборе товаров? - 097 944-04-77044 228-33-17050 337-07-10093 332-67-53






