• Реле контроля изоляции RKI F&F DIN 1ПК 16А 230V 500-1000 кОм
    • Учасник державної програми

      При сумме заказа свыше
      1000 грн. — СКИДКИ!!!
      Доставим в любой
      уголок Украины
      14 ДНЕЙ НА ОБМЕН 12 МЕСЯЦЕВ
      • гарантии от производителя
    • F&F
      • Сертификация CE — европейское соответствие.
      • AC (переменный ток)
      Уточняйте наличие и сроки
      132334
      Последнее обновление наличия: 27.02.26 13:09
      ПредзаказНедоступно. Смотрите актуальные серии.
      Польща
      Уточняйте цену
      • Код поставщика: RKI
      • Производитель: F&F
      • Подключение: 1 — фаза
      • Номинальный ток, А: 16
      • Тип устройства: Реле контроля изоляции
      • Место установки / подключения: DIN-рейка
      • Номинальный ток коммутации: 3 А, 16 А
      • Ток катушки управления: AC (переменный ток)
      • Напряжение катушки управления (AC): 230 V
      • Положение контактов: 1 ПК
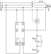
  • Назначение: реле RKI предназначено для контроля сопротивления изоляции в обмотках электродвигателей, трансформаторов и т.п. в одно и трехфазных сетях переменного тока.

    Действие:если сопротивление изоляции в пределах допустимого, включено исполнительное реле устройства, замкнуты контакты 11-12, разрешается пуск электродвигателя. Если сопротивление изоляции ниже нормы, на лицевой панели загорается красный светодиод R, контакты 11-12 размыкаются и запрещается запуск электродвигателя.

    Схема подключения:

    схема подключения

    • Напряжение питания: 170-250 В 50Гц
    • Диапазон рабочих температур: от -25°С до +50°С
    • Максимальный ток контактов реле: 16А, АС1
    • Задержка отключения: 1-2сек
    • Присоединение проводов: Винтовые зажимы 2,5 мм^2
    • Диапазон контроля сопротивления изоляции: 500-1000 кОм
    • Дополнительно: Контакт: тип 1Р(1 переключающий)
    • Максимальный ток катушки контактора: 3 А
    • Монтаж устройства: на DIN-рейку 35 мм
    • Степень защиты: IP20
    • Габаритные размеры: 1 модуль типа S (17.5 мм)

Характеристики

  • Предложение: Standart, Professional, Industry
  • Исполнение: Модульный
  • Подключение: 1 — фаза
  • Номинальный ток, А: 16
  • Тип устройства: Реле контроля изоляции
  • Функциональность: Задержка отключения, Измеритель тока, Контроль тока
  • Место установки / подключения: DIN-рейка
  • Номинальный ток коммутации: 3 А, 16 А
  • Типоразмер: Модульный на din-рейку
  • Ток катушки управления: AC (переменный ток)
  • Напряжение катушки управления (AC): 230 V
  • Положение контактов: 1 ПК
  • Диапазон регулируемого сопротивления, кОм: 500-1000
  • Сеть: 1-фазная
  • Прямое подключение: Да
  • Сертификаты: Сертификация CE — европейское соответствие.

Цвет товара может отличаться от представленного на картинке. Описание товара носит общий характер, в нем не обязательно упоминаются все характеристики. Цены на товары в интернет-магазине могут отличаться от цен в наших шоу-румах. Остаток товара на складе и в интернет-магазине может отличаться, поэтому в таких случаях условия доставки могут отличаться от указанных при оформлении заказа.
В случаях если мы по каким-либо причинам не сможем выполнить заказ или только частично выполнить его, об этом Покупатель информируется немедленно.

Увага! 28 лютого (субота) в шоу-румі на Костянтинівській 71 (Поділ, ТЦ Шоколад) – вихідний день!

Просмотренные товары