-
-7%
-
Учасник державної програми
При сумі замовлення більше
1000 грн. — Знижки!!! Доставимо в будь-який
куточок України 14 ДНІВ НА ОБМІН- без зайвих запитань
- прочитайте умови повернення
- гарантії від виробника
-
В наявності 2-3 дні131850Останнє оновлення залишків: 15.01.26 13:5445 шт— Відправимо за 2-3 дніПередзамовлення — термін постачання 4-6 тижнівПольща
- Код постачальника: SZR-278
- Бренд: F&F
- Тип пристрою: АВР, Контролер резервного живлення
- Тип — схема роботи: l-0-ll
- Особливість: Автоматичне перемикання
- Кількість полюсів: 4
- Номінальна комутаційна
здатність, А: 8 - Тип вхідної мережі: 3 фази + N (400V)
- Вихід: 3 фази
- Місце встановлення / підключення: DIN-рейка
- Струм котушки керування: AC (змінний струм)
- Напруга котушки керування (AC): 50 V
- Підключення: Клемне
- Мережа: 3 — фази
- Нижня межа відключення (Umin), V: 150
- Верхня межа відключення (Umах), V: 270
- Номінальний струм комутації, А: 8
-
Призначення
Контролер SZR -278 призначений для контролю правильності роботи ліній електропостачання та автоматичного перемикання джерел електропостачання об'єкта.
До найважливіших особливостей контролера SZR-278 відносяться:- Одночасний контроль двох ліній живлення шляхом вимірювання фазних напруги на кожній фазі в усіх лініях.
Перевірка включає:- Перевірка наявності фаз і правильності напруги живлення.
- Контроль несиметрії фазної напруги.
- Контроль послідовності фаз.
- Керування як контакторами, так і моторизованими вимикачами.
- Контроль роботи комутаційних апаратів.
- Контроль спрацьовування захисту від надструму.
- Конфігуровані робочі параметри контролера:
- Мінімально допустима напруга живлення.
- Час реагування контролера на неправильні параметри лінії живлення та повернення до правильних параметрів.
- Затримка між вимиканням однієї лінії та вмиканням наступної.
- Контроль послідовності фаз.
- Живлення контролера можливе як через зовнішні лінії живлення N1 і N2, так і через виділений гарантований вхід джерела живлення 50…350 В AC/DC.
- Можна використовувати в однофазних кола.
Панель управління
Контролер SZR -278 оснащений панеллю управління, що дозволяє задавати основні параметри роботи контролера та сигналізувати про його стан.

- Індикатори правильності фазної напруги ліній N1 і N2
- Сигналізація помилок лінії N1 або N2
- Сигналізація спрацьовування пристроїв К1 і К2
- Час Ton. Це час, протягом якого параметри лінії живлення мають бути вірними, перш ніж лінію можна буде підключити до приймальної лінії.
- Час Tp. Це час між вимкненням одного пристрою та ввімкненням іншого, необхідний для безпечного перемикання ліній живлення.
- Сигналізація ввімкнення пристрою К3.
- Напруга Umin - мінімально допустиме значення напруги живлення.
- Час Td – час від моменту падіння напруги нижче мінімального значення Umin до моменту початку перемикання лінії.
- Перемикачі конфігурації режимів роботи.
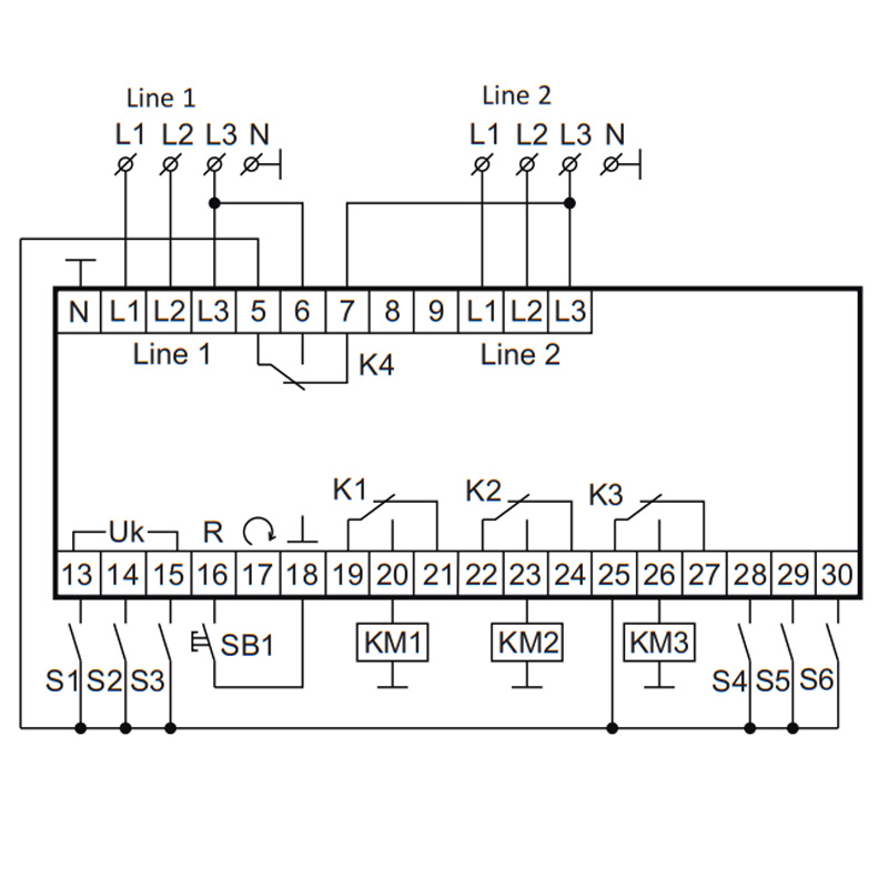
Схема підключення
Приклад підключення реле, більше варіантів схеми підключення (з моторизованим вимикачем, контакторами) дивіться в інструкції.

Специфікації
Характеристики
- Пропозиція: Standart, Professional, Industry
- Тип пристрою: АВР, Контролер резервного живлення
- Основні функції реле: Контроль напруги, Контроль обриву фаз, Перемикання живлення / навантаження
- Функціональність: Контроль послідовності фаз, Контроль перекосу фаз
- Тип перемикання: Автоматичний
- Мережа: 3 фази + N
- Тип — схема роботи: l-0-ll
- Особливість: Автоматичне перемикання
- Кількість полюсів: 4
- Номінальна комутаційна
здатність, А: 8 - Кількість зайнятого
місця на din-рейці в щиті: ? 6 - Тип вхідної мережі: 3 фази + N (400V)
- Вихід: 3 фази
- Місце встановлення / підключення: DIN-рейка
- Струм котушки керування: AC (змінний струм)
- Напруга котушки керування (AC): 50 V
- Підключення: Клемне
- Мережа: 3 — фази
- Нижня межа відключення (Umin), V: 150
- Верхня межа відключення (Umах), V: 270
- Номінальний струм комутації, А: ? 8
- Номінальна напруга, V: 230
- Контакт: 4ПК
- Гарантія: 2 роки
- Сертифікати: Сертифікація CE — європейська відповідність., EAC
- Одночасний контроль двох ліній живлення шляхом вимірювання фазних напруги на кожній фазі в усіх лініях.
Колір товару може відрізнятися від представленого на зображенні. Опис товару носить загальний характер, у ньому необов'язково згадуються всі характеристики. Ціни на товари в інтернет-магазині можуть відрізнятись від цін у наших шоу-румах. Залишок товару на складі та в інтернет-магазині може відрізнятись, тому в таких випадках умови доставки можуть відрізнятись від зазначених при оформленні замовлення.
Якщо ми з якихось причин не зможемо виконати замовлення або лише частково виконати його, про це Покупець інформується негайно.
- Потрібна допомога
в підборі товарів? - 097 944-04-77044 228-33-17050 337-07-10093 332-67-53



